

產品型號:W-50TS
產品名稱:?50福來輪 沖壓式滾輪流利條
>>說明
1.沖壓式滾輪流利條使用沖壓滾輪、福來輪、滾筒等,形式多樣。
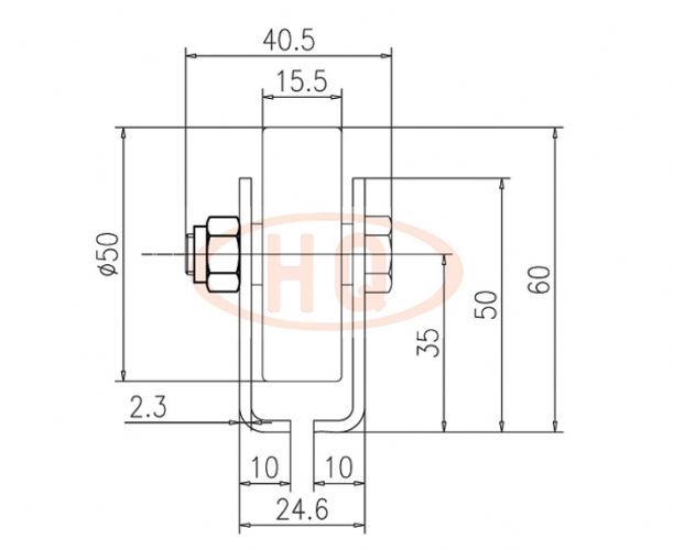
2.福來輪直徑:?49.2mm,福來輪寬度:15.5mm,使用軸:M8*38L
3.福來輪承載:40kg
4.福來輪表面處理:電鍍鋅
5.可以根據客戶要求定做。
>>W-50TS示意圖

>>仕樣表
(單位:mm)
型 號 | 福來輪尺寸 | 使用軸 |
W-50TS | 49.5×15.5×8.2×20 | M8 ×30L |
框架尺寸 | 機高 | 全 長 | 福來輪中心距 | 彎道半徑 | 單只福來輪承載(kg) | 參考 |
50×24.6×10×40.5×2.3 | 60 | 1,800?2,400 | 75?100?150 | 1,000 | 40 |